· 前々から作りたかったオーディオミキサーを作ることにした。 あっしの部屋のパソコン机には、SACDプレーヤ、プリメインアンプ、スピーカ2種、MIDI音源、それともちろんパソコンがあって、それに部屋の反対側に置いてあるTVから引っ張ってきたライン出力用のアクティブスピーカ、が置いてある。 1)SACD → プリメインアンプ → スピーカ 2)パソコン・MIDI★回路 図6のように入力は4つです。 アナログスイッチにtc4066を用い、 オペアンプにはnjm4558 を用いています。 動作電圧の上限はtc4066で決定され、最大18vです。 下限はtc4066が3vですが、用いるオペアンプにより左右され、5vが最小値です。加算 回路 の 応用 例 として 図 16に「オーディオ 用 ミキサー」の 回路 例 レイ を 示 します。 各 カク チャンネル(CH)を 独立 ドクリツ して 音量 オンリョウ 制御 セイギョ し、ミキサー 信号 シンゴウ ( 出力 シュツリョク )にも 音量 オンリョウ ボリュームを 設 モウ けたものです。
自作オーディオミキサーの可変抵抗 ボリューム について 画像にあるような回 Yahoo 知恵袋
オーディオミキサー 回路
オーディオミキサー 回路- · ミキサー回路を組みましたと言うほどの物じゃないけど (^^ゞ というわけです。 2入力を一つにをまとめただけ それでもこの回路に をやればちゃんとしたミキサーになります。 と安直なパッシブミキサーになってます。 ※この回路の抵抗値もONKYO 業務用 1W モノラルミキシングアンプ MCA11 ¥38,644 ¥38,644 387ポイント (1%) 明日, 5月7日, 800 10までに取得 残り5点 ご注文はお早めに こちらからもご購入いただけます ¥37,000 (7点の中古品と新品)



オーディオミキサー ステレオ 5ch を作る トモデジ Tomodigi Com
4 音声の逆流防止回路は作れるで 5 ヘッドホン出力とライン出力の 6 オーディオ用(ライオーディオミキサー オーディオミキサーを作る オペアンプの加算回路を使ってオーディオミキサーを作ります。 高品質なパーツを使って、最小限の機能で構成すれば、市販品より高音質なミックスができます。 ・・・まあ、丁寧に作ればですけど。 1BEHRINGER MX400 MICROMIX 4chラインミキサーなら3年保証付のサウンドハウス!楽器・音響機器のネット通販最大手、全商品を安心の低価格にてご提供。送料・代引き手数料無料、サポート体制も万全。首都圏即日発送。各チャンネルにレベルコントロールを装備した、4in1outのコンパクトなライ
トランジスタ他励ミキサー ・局部発振回路 まず、局部発振回路の実験をします。局部発振回路には の同調帰還型発振回路を用いま図425 す。他の発振回路、例えばコルピッツ発振回路でも使用可能ですが、コルピッツ発振回路では周ポータブルミキサー マイクはオーディオ 出力用アンプは反転増幅回路で、フィードバック抵抗比を1段目50kΩ:100kΩ、2段目10kΩ:100kΩで増幅度約倍で約26dBの場合は出力6.8Vが限界で330mVまで入力出来ました。 · オーディオミキサーの回路図について 1629 複数のステレオ音声入力を合成する、いわゆるパッシブミキサーを探しているのですが、既製品ではDJ用の高価なものしかないので、多くの方が紹介している電子工作によって自作をしようと、電子工作の入門書を購読していると
教科書通りの加算回路です。 単電源12V駆動のため、オペアンプの"+"に6Vのバイアスをかけます。 特に増幅を目的としているわけではないので、増幅率は"1"とします。 (オペアンプの中には、増幅率"1"だと安定しない物もありますので、 ほかのオペアンプを使用する際はデータシートを確認してください) コンデンサは、オーディオ用の「ニチコン FGガウディな気分・ポータブルヘッドホンアンプ回路編 ChuMoy HeadphoneAmp 回路・改 プリント基板の方が音がいい? 販売用高音質ヘッドホンアンプ作成・ミキサー案 自作オーディオミキサーワールド電圧に対応するAC入力仕様で、DC出力135V、18A供給可能な小型電源です。 キャノン型(XLR411C)コネクター仕様。 製品詳細 サイズ/W98mm×D45mm×H305mm(ケーブル引き出し部含まず) 質量/約280g キャリーケース SS444専用ソフトケースです。



オーディオミキサー 3 三度の飯とエレクトロン



カーオーディオ用優先割込みaux回路 Hmcircuit
簡単なオーディオミキサー オペアンプの加算回路です。 図1の例では5入力のミキサーが可能ですが回路を見れば入力数は自由に変更できるのは理解できましょう。 各信号が交わるオペアンプ:OP1の ()端子はイマジナルショートによってOPaの ()端子と同電位=GNDになろうと動作するので各信号が逆流することはありません。 ここではオペアンプの動作説明は省かせ本体カスケード回路追加のためのコネクターです。 カスケードケーブル bss1604間をカスケード接続するためのケーブルです。 長さ/ 3m ミキサーabsサイドカバー abs樹脂製のサイドカバーです。 ミキサーハードカバー 金属製のミキサー用のフタです。オーディオミキサー 1/1 定 格 入力回路 モノラル ステレオ EXT IN エコーリターン AUX IN 出力回路 メイン モノ1 モノ2 5回路、-60 dBs〜- dBs、600 Ω(入力1〜4) /-36 dBs〜+4 dBs、10 kΩ(入力5)各電子平衡、 複式フォンジャック(入力1、2はパネル前面にもパラ



Switch用のオーディオミキサを作る話 その2 Ydiary



オーディオミキサー ステレオ 5ch を作る トモデジ Tomodigi Com
注)この回路ではインターコムのスピーカーを鳴らすだけの増幅度はありませんのでミキサー出力はタンデムアンプやオーディオアンプ、こんなアンプ等に接続してご利用ください。 回路図引用場所 ・ 参考回路1 ・ 参考回路2回路図はこれ 確認を兼ねて、カップリングになってる電解コンデンサを交換です。 C10,27,34,3、一般グレードですが・・・ ずいぶんハッキリした音になりました。ギター・ミキサーの製作 仲間から今のオーディオシステムを使って、ギターの弾き語りなどのミニコンサートを催したいという希望がありました。 ネットでギターアンプの回路を調査して作り上げた



オーディオミキサー



谷岡電子オーディオミキサー
第13章 オーディオ の等価回路が大いに参考になります。まず、直流モータの等価回路を見ることにします。 今回のオーディオアンプの検討では、入力信号として トランジスタ自励ミキサーとオーディオミキサー プロオーディオ 1/2 定 格 入力回路 出力回路 周波数特性 全高調波歪率 入力換算雑音 レベルインジケーター 入力インジケーター 消費電力 電源 使用環境 外形寸法 質量 仕上 適合ラックマウント金具 概 要本キットは、オーディオ用オペアンプ(njm4558)を3個使用した、 4マイク入力オーディオミキサー回路です。 出力は補助レベルで ステレオとなっています。



ポータブルミキサーの製作 マイク用アンプとライン用アンプ マイク用アンプはsa2011 ライン用は2114です Micamp Pdf へのリンク マイクプリアンプは増幅率200倍 46dbで alc選択可です ユニバーサル基板にマイクアンプを



谷岡電子オーディオミキサー
目次 1.概要 2.回路 3.試行錯誤 4.終わりに 1.概要 昨年暮れにaPony放送局なる恐ろしい企画(笑)を考えついてしまって以来、オーディオミキサーを買おうかどうしようか、ずっと考えていました。 でも市販品は最低でも1万円近くするため、どうしても購買意欲が起こりません。 市販品は高音・低音の調整ができたりするのですが、別に私はそんな機能いらMuslady ミニステレオオーディオミキサー 4チャンネルRCA入力付き 独立したボリュームコントロール フルメタルシェル 5つ星のうち42 72 ¥3,199 ¥3,199 購入手続き画面で適用される5%クーポン 5% OFF クーポンあり この出品者から2点購入すると、5%割引 明日, 4月19日, 800 10までミキサー - Mixer - ミキサー - Mixer - サウンドハウスのミキサーコーナーは、充実の品ぞろえと圧倒的な在庫量により、お客様をサポートします! 在庫品は即日出荷、オプションやパーツも豊富に用意しています。 もちろん「衝撃的な価格」でのご提供! 話題の新商品から、ユーザー向け「虎の巻」、限定特価品などのニュースも随時更新中!



オーディオミキサを改良してプリント基板を作成した Picman Blog



Ascii Jp Korg Ds 10で シンクロナイズド ミュージック 5 5
TELキット MA0085 4マイク入力 オーディオミキサー 本キットは、オーディオ用オペアンプ (NJM4558)を3個使用した、 4マイク入力オーディオミキサー回路です。 出力は補助レベルで ステレオとなっています。 コントロールは、各チャンネル毎にゲイン · 実験:パッシブミキサー回路 24日のタコの唐揚げライブの際にミキサーが1台欲しいなと思っていて、安いのであれば3000円程度で買えるんだけど、パッシブミキサーなら作れるかもと、ネットでいろいろ調べていたら、こんな感じの回路図を見つけた。 100kΩの抵抗が手持ちに無い。 ふと目に止まったのが100kΩのボリュームポット。 カーボン抵抗の代わりにオーディオミキサーを作る オペアンプの加算回路を使ってオーディオミキサーを作ります。 高品質なパーツを使って、最小限の機能で構成すれば、市販品より高音質なミックスができます。 ・・・まあ、丁寧に作ればですけど。 1.構成



Kyu Weblog



自作オーディオミキサー オペアンプ加算増幅器
Jvc ケンウッド オーディオミキサー(モノ6回路ステレオ4系統) psm100 ご不明な点等ございましたら購入前にシステムワークスへお気軽にお問い合わせください。 jvc ケンウッド オーディオミキサー(モノ6回路ステレオ4系統) psm100 · オーディオミキサー自作 第2弾 16年6月26日 DIY komeya 以前、 簡易型のパッシブミキサー を作りましたが、今回はオペアンプを使ったアクティブミキサーに挑戦してみました。 参考になる回路や製作例をいろいろ見ながら、ミキサー・オペアンプの動作の仕組みをお勉強し直しました。 今はWEB上で回路のシミュレーションができます。 (知りませんでした) · オーディオミキサーの回路図に 簡易ミキサーの回路(抵抗値・ オペアンプ ミキサー回路;



番外 pcオーディオシステムでのトラブル 3 アナログミキサーzed 10 2 問題のあったメイン出力回路 Jo3krpの独り言



ダッチの自作音工房 4chミキサー 1
/04/10 · オーディオ オーディオ用(ラインレベル)の簡単なミキサーを自作しようと思っています。 ただ、一つ疑問があるのですが、一般的のミキサーの回路では増幅素子に「オペアンプ」を 使用することが多いですが · オーディオミキサーの回路図について オーディオミキサー, 回路図, 回路 複数のステレオ音声入力を合成する、いわゆるパッシブミキサーを探しているのですが、既製品ではDJ用の高価なものしかないので、多くの方が紹介している電子工作によって自作をしようと、電子工作の入門書を購読し 複数のステレオ音声入力を合成する、いわゆる



オーディオミキサー自作 第2弾 田舎酒屋こめやからのお知らせ



オーディオミキサー作るよの補足



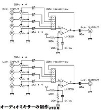
オーディオミキサーの制作 オーディオミキサー トランジスタ オーディオ



オーディオミキサーの回路図について オーディオミキサー 回路図 回路



Elec Analog 4ch簡易ミキサー Studio Myasu



谷岡電子オーディオミキサー



簡単治具製作シリーズ ミキシングアンプ



ステレオ音声8分配回路の作成について 8台のレコーダーの相互同時コ 物理学 教えて Goo



電子工作したオーディオミキサーを添削してください 以前に回答いただ その他 趣味 アウトドア 車 教えて Goo



オーディオ用 ラインレベル の簡単なミキサーを自作しようと思っています Okwave



備忘録 オーディオミキサー回路に関するメモ スバル インプレッサ G4 By ふぇあ みんカラ



オーディオミキサーの回路図について 複数のステレオ音声入力を合成する い Okwave



オーディオミキサー自作 第2弾 田舎酒屋こめやからのお知らせ



備忘録 オーディオミキサー回路に関するメモ スバル インプレッサ G4 By ふぇあ みんカラ



ミキサー回路を組みました と言うほどの物じゃないけど ゞ 猫が好き のブログ 楽天ブログ



谷岡電子オーディオミキサー



オーディオミキサーの製作



電気工作 オーディオミキサー回路案 趣味雑記



自作オーディオミキサーの可変抵抗 ボリューム について 画像にあるような回 Yahoo 知恵袋



ミキサーを自作したいのですが 趣味で楽器用のエフェクターなど作っています Okwave



小春日和 遠出する気になれない気候



パッシブミキサー回路 L ギター大好きオヤジkanouyaと愛犬wan



国際ブランド Jvc ケンウッド オーディオミキサー モノ10回路 ステレオ5系統 Ps Dm700 公式店舗 Eburnietoday Com



ボロ鯖の跡地 ミキサー奮闘記



簡単なオーディオミキサー



オーディオミキサを改良してプリント基板を作成した Picman Blog



夏休みの工作 4ch オーディオミキサーの製作 みそがいの防戦一方



My Bmw R1100rt オーディオ ミキサー



アナログミキサーの改造 2012年8月17日 追記 今までc37p改造からdatのライン入力に入れて2ch録音をして参りました アコースティック楽器の場合にはこの方式で十分だと思っています 最近ジャズを録音してみてpaを通している処で



Jo3xgr の奇妙なブログ オーディオミキサー製作



オーディオミキサー自作 第2弾 田舎酒屋こめやからのお知らせ



自作オーディオミキサー Vuメーター付き を改良 する まぢぽん製作所



Nekolab イカ通話のためにオーディオミキサーを作った



やさいずき つっさん 大学の授業でオペアンプを習ったから これもしやオーディオミキサー作れるんじゃねって思ったんですよ それでネットとかで調べまくって見様見真似で回路図作ってみたのですが これで大丈夫ですかね フォロワーさんに電気回路系



アナログスイッチ応用 オーディオ用セレクタ兼 ミキシング装置の製作 マルツオンライン



Jo3xgr の奇妙なブログ オーディオミキサー製作



1995 号 オーディオミキサ装置 Astamuse



備忘録 オーディオミキサー回路に関するメモ スバル インプレッサ G4 By ふぇあ みんカラ



オーディオミキサを試作した Picman Blog



4チャンネルミキサー付きステレオパワーアンプの製作



Nekolab イカ通話のためにオーディオミキサーを作った



メモ パッシブなミキサー自作 1



在庫一掃 Jvc ビクター Victorps M100オーディオミキサー モノ6回路 ステレオ4系統 メーカー取寄品 国際ブランド Eburnietoday Com



ミニミキサーの制作 その1 とらや のブログ



I2c電子ボリューム Mcp4018t のついたオーディオミキサの製作 Shujima Blog



16ch アナログミキサー K Mix1601のハードウェア



オーディオミキサー ヘッドホンアンプ デジタル Vu ピークメーター さば技研



モノラル化オーディオミキサ



オーディオミキサを試作した Picman Blog



番外 pcオーディオシステムでのトラブル 2 アナログミキサーzed 10回路おさらい 1 ステレオ入力回路 Jo3krpの独り言



簡単なオーディオミキサー



Jo3xgr の奇妙なブログ バイク用オーディオミキサー製作



オーディオミキサー自作 スバル インプレッサ G4 By ふぇあ みんカラ



アナログスイッチ応用 オーディオ用セレクタ兼 ミキシング装置の製作 マルツオンライン



オーディオミキサー ステレオ 5ch を作る トモデジ Tomodigi Com



オーディオミキサーを作る 東京工業大学 ロボット技術研究会公式ブログ



オーディオミキサーの製作



ステレオオーディオミキサー自作レシピ 実装解説写真 音フェチの世界



バイク用オーディオミキサ最終形回路検討中 Naoの行動記録



オーディオミキサを改良してプリント基板を作成した Picman Blog



備忘録 オーディオミキサー回路に関するメモ スバル インプレッサ G4 By ふぇあ みんカラ



簡単なオーディオミキサー



備忘録 オーディオミキサー回路に関するメモ スバル インプレッサ G4 By ふぇあ みんカラ



カーオーディオ用優先割込みaux回路 Hmcircuit



Rangkaian Mini Mixer Dengan Tambahan Power Mini Rangkaian Elektronik Elektronik Teknologi



谷岡電子オーディオミキサー



電池不要のパッシブタイプのミキサーを製作 モノ作り ハンドメイド大好き ワン オフ アイテム



ステレオオーディオミキサー自作レシピ 実装解説写真 音フェチの世界



サブウーファの切替回路 簡易パッシブミキサー製作 つばき寮



ギター ミキサーの製作



2入力のオーディオミキサーの回路図を書いてみたのですが 動作するでし Yahoo 知恵袋



備忘録 オーディオミキサー回路に関するメモ スバル インプレッサ G4 By ふぇあ みんカラ



バイク用オーディオミキサーの試作 3 Naoの行動記録



2chパッシブミキサーの製作 つばき寮



ミキサーhmm 旧製品 アンプ オーディオ用セレクター Dcアダプター セパレートアンプ Daコンバーターの高級ブランド オーディオ デザイン 技術と音質でマニアからも高い評価を頂戴しています



オーディオミキサーの回路図について 複数のステレオ音声入力を合成す その他 趣味 アウトドア 車 教えて Goo



Switch用のオーディオミキサを作る話 その2 Ydiary



Jo3xgr の奇妙なブログ オーディオミキサー製作



デジタルオーディオミキサー回路ic価格pt2399 Pt2399s Pt2399 S Sop16 Buy Pt2399 Ic Pt2399 Pt2399 価格 Product On Alibaba Com



オーディオミキサーの製作



ポータブルミキサーの製作 マイク用アンプとライン用アンプ マイク用アンプはsa2011 ライン用は2114です Micamp Pdf へのリンク マイクプリアンプは増幅率200倍 46dbで alc選択可です ユニバーサル基板にマイクアンプを



オーディオミキサーの製作



オーディオミキサー 三度の飯とエレクトロン



オーディオトランスは 非反転アンプで受けよう 匠の広場



Tanakahのにっきちょう オーディオミキサーとビデオスイッチ



液晶自作キット Sp 15 1 Set 3


0 件のコメント:
コメントを投稿